Laagvermogen thyristoren
Een eenvoudig elektronisch geheugen
Een thyristor in staat het aanleggen van een korte stuurpuls op de gate te onthouden. Het onderdeel gaat dan geleiden en deze geleidende toestand blijft bestaan tot een of andere nieuwe actie plaats vindt. Dank zij deze eigenschap kunt u een thyristor gebruiken op tal van plaatsen waar u, gewoontegetrouw en gedachteloos, een flip-flop wilt inschakelen.
Geschikte thyristoren
U denkt natuurlijk bij het woord thyristor aan vrij fors gebouwde onderdelen, die geen moeite hebben met het verwerken van stromen van tientallen ampère en bestand zijn tegen spanningen van minstens 400 V. Deze onderdelen zijn uitstekend geschikt voor het bevolken van lichtdimmers, maar zijn veel te grof van karakter voor het fijnere werk, waarover we het in dit artikel hebben. Gelukkig bieden de meeste fabrikanten een paar subtielere thyristoren aan, voor prijzen van nog geen euro.
De eerste familie komt uit de Motorola stal en is opgebouwd uit drie vrijwel identieke broers: 2N5060, 2N5061 en 2N5062. Als u ze voor het eerst ontmoet denkt u met gewone plastic signaaltransistoren van doen te hebben. Alleen de benaming van de drie pootjes van de TO-92 behuizing onthult de ware identiteit van dit triumviraat: thyristoren, wel wis en waarachtig! Zoals onderstaande figuur te kennen geeft, staat de gate in het midden, soms op één lijn met anode en kathode, soms in een driehoeksverhouding. De drie broers onderscheiden zich alleen in de maximaal te torsen spanning: 30 V voor de 2N5060 tot 100 V voor de 2N5062. De thyristoren gaan geleiden bij een gatestroom van minimaal 0,2 mA, waarbij de anode/kathode-stroom tot 0,8 A mag oplopen.
| De aansluitgegevens van de toegepaste laagvermogen thyristoren. (© 2017 Jos Verstraten) |
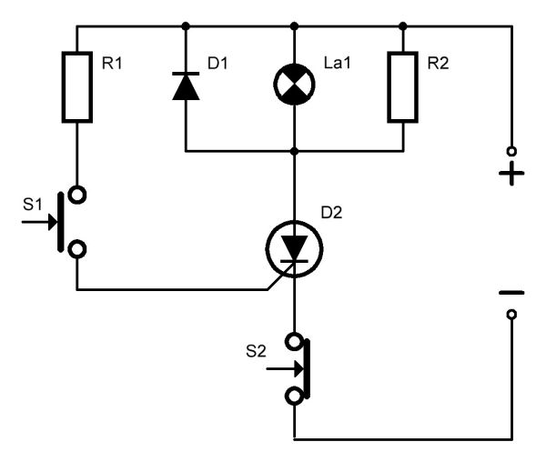
De thyristor als bistabiel element
Het basisschema
Het basisschema van de thyristor als bistabiel element is getekend in onderstaande figuur. De stuurbare diode wordt gevoed uit een gelijkspanning. De gate is verbonden met de positieve aansluiting van de voedingsspanning, via de weerstand R1 en de drukschakelaar S1. Drukt u op deze schakelaar, dan zal er een stroom in de gate vloeien, waardoor de thyristor gaat geleiden. De belasting, in dit voorbeeldje een gloeilampje La1, wordt met de voedingsspanning verbonden. Als de stroom door deze belasting groter is dan de zogenaamde houdstroom van de thyristor, dan zal deze toestand ook na het wegvallen van de stuurstroom in de gate blijven bestaan.
| Op deze manier wordt een thyristor bruikbaar als geheugenelement. (© 2017 Jos Verstraten) |
Hieruit volgt een belangrijke ontwerp-eis voor dit soort schakelingen. U moet de belastingsstroom steeds groter maken dan de houdstroom, zoniet is er van een bistabiele werking geen sprake. Vandaar dat in het schema een weerstand R2 parallel aan de belasting is getekend. Deze is noodzakelijk als de hoofdbelasting minder dan 10 mA verbruikt, zoals bijvoorbeeld bij een miniatuurzoemertje. De diode D1 is alleen noodzakelijk als de belasting reactief is, bij relais en motoren dus. Deze diode sluit de bij het uitschakelen van de thyristor optredende tegenspanningen kort.
Uitschakelen van het systeem
Voor het uitschakelen van het systeem drukt u de drukschakelaar S2 in. De stroomkring wordt onderbroken, zodat de thyristor spert. Ook deze toestand is stabiel, dat wil zeggen dat de belasting slechts door het opnieuw indrukken van S1 kan worden ingeschakeld.
Een alternatieve schakeling
Uit het schema blijkt dat de drukschakelaar S2 normaal gesloten is. Dat is niet zo leuk, want deze schakelaars zijn vrij zeldzaam. Vandaar dat in onderstaande figuur een alternatief schema is getekend, waarbij ook het uitschakelen van de belasting door middel van een normaal open schakelaar kan gebeuren. Deze schakelaar staat nu niet in serie met de thyristor, maar parallel.
| In dit schema wordt gewerkt met twee normaal open drukschakelaars. (© 2017 Jos Verstraten) |
Een elektronische zekering
Beveiligen van een voeding
Een rechtstreekse toepassing van het basisschema is de in onderstaande figuur getekende elektronische zekering, die u kunt gebruiken voor de beveiliging van een gestabiliseerde voeding. Transistor T1 is de regeltransistor van de voeding, die het verschil tussen de ongestabiliseerde ingangsspanning en de gestabiliseerde uitgangsspanning voor zijn rekening neemt. Deze halfgeleider wordt gestuurd uit de regelversterker. Tussen de min van de ingang en de min van de uitgang is een kleine weerstand R3 opgenomen. Het zal duidelijk zijn dat de totale belastingsstroom van de voeding door dit onderdeel vloeit.
| In deze toepassing schakelt de bistabiele thyristor een voeding uit. (© 2017 Jos Verstraten) |
Door het indrukken van de reset drukknop S1 kunt u de uitgangsspanning van de voeding herstellen. De thyristor wordt dan immers even overbrugd, de stroom door het onderdeel wordt nul en de stuurbare diode gaat sperren.
Een vertraging inbouwen
Weerstand R2 en condensator C1 vormen een vertragend netwerkje. Als deze onderdelen er niet waren, zou de elektronische zekering reeds aanspreken op de zeer korte oplaadpiekstroom van een op de voeding aangesloten elco. Deze korte stroompiekjes vloeien nu echter niet in de gate, maar worden door de condensator afgeleid naar de massa.
Instellen van de maximale stroom
Het zal duidelijk zijn dat de stroomwaarde, waarop de zekering aanspreekt, wordt bepaald door de waarde van de weerstand R3. U kunt stellen dat de thyristor gaat geleiden als er over R3 een spanning van 0,7 V ontstaat. Uit de wet van Ohm kunt u dus voor iedere aanspreekstroom een geschikte weerstandswaarde berekenen. Een voorbeeldje. Stel dat u een voeding hebt gebouwd, die een stroom van 2 A kan leveren. De in te bouwen elektronische zekering moet dan aanspreken bij 2,2 A. De wet van Ohm stelt dat de waarde van een weerstand gelijk is aan de spanningsval over de weerstand gedeeld door de stroom door de weerstand. De spanningsval is bekend, namelijk 0,7 V. In dit specifieke voorbeeld is de stroom 2,2 A, zodat de waarde van R3 gelijk is aan 0,7 gedeeld door 2,2 dus 0,32 Ω. Uiteraard kiest u dan voor een standaard 0,33 Ω weerstand.
Een elektronisch slot
Het principe van de schakeling
U kent het principe van een elektronisch slot wel. Alleen als een bepaald aantal schakelaartjes uit een veld in de juiste volgorde wordt ingedrukt gaat een elektromechanisch slot open. In de loop der tijden zijn verschillende schakelingen ontwikkeld. De meeste schema’s zijn digitaal en vergen speciale IC’s. Met de genoemde thyristoren kunt u op een zeer eenvoudige manier hetzelfde realiseren. Kijk maar naar onderstaande figuur, waar de volledige schakeling van een elektronisch slot met vier valse en vier echte druktoetsen is getekend.
| Een elektronisch slot met vier als bistabiele elementen toegepaste thyristoren. (© 2017 Jos Verstraten) |
De werking is als volgt. De acht drukknoppen S1 tot en met S8 zijn gemonteerd op een bedieningspaneeltje. Iedere knop heeft een cijfer- of lettersymbool. De schakeling reageert op het achter elkaar en in de juiste volgorde indrukken van de schakelaars S4, S3, S2 en S1. Drukt u tussen de bedrijven door op een van de overige schakelaars, dan reset de schakeling en moet u opnieuw beginnen.
Bij het inschakelen van de voedingsspanning zal transistor T1 gaan geleiden. De basis is immers door middel van weerstand R5 met de +12 V verbonden. De rest van de schakeling ontvangt zodoende een spanning van ongeveer 11,4 V van de emitter van T1. De vier thyristoren sperren. De kathoden van D2, D3 en D4 zijn via de weerstanden R4, R3 en R2 met de positieve spanning verbonden, zodat er geen spanningsverschil ontstaat tussen anoden en kathoden. Het indrukken van de schakelaars S1, S2 en S3 heeft geen invloed op de schakeling. Er kan immers geen stroom vloeien in de gates van de genoemde thyristoren, omdat er geen spanningsverschil tussen gate en kathode aanwezig is.
Het bedienen van S4 heeft wél gevolgen. De thyristor D5 gaat dan geleiden, zodat de anode van dit onderdeel met de massa wordt verbonden. De kathode van D4 is rechtstreeks verbonden met de anode van D5, zodat ook dit onderdeel naar massa gaat. Hetgeen tot gevolg heeft dat D4 gaat geleiden als u op S3 drukt. Er kan nu wél stroom vloeien van gate naar kathode. Het in geleiding komen van D4 heeft weer tot gevolg dat de kathode van D3 met de massa wordt verbonden, zodat deze thyristor gaat geleiden als u S2 bedient.
Afijn, u begrijpt het al. Het in geleiding komen van één thyristor heeft tot gevolg dat u de volgende uit het rijtje in geleiding kunt sturen door het indrukken van zijn specifieke drukknop. Nadat u achtereenvolgens D5, D4 en D3 hebt gestuurd kunt u door het bedienen van S1 uiteindelijk ook thyristor D2 sluiten. Het relais Ry1 van het elektromechanische slot wordt met de voeding verbonden, zodat het slot zich opent.
De 'valse' schakelaars
Als u een van de schakelaars S5 tot en met S8 indrukt, wordt de basis van de transistor T1 verbonden met massa. De halfgeleider spert, zodat de voedingsspanning voor de schakeling verdwijnt. Eventueel reeds geleidende thyristoren gaan dan onmiddellijk sperren zodat de cyclus vanaf de start moet worden hernieuwd.
Uitbreiden
In principe kunt u deze schakeling tot in het oneindige uitbreiden. Wel twee opmerkingen. Op de eerste plaats loopt de volledige voedingsstroom door de eerste thyristor D5. Het uitbouwen van de schakeling met extra trappen heeft als consequentie dat de stroom door deze thyristor toeneemt. Ook het verbruik van de schakeling gaat dan aanmerkelijk stijgen. Met de belastingsweerstanden 1 kΩ neemt de stroomopname toe met 12 mA per extra trap. Op de tweede plaats is het niet helemaal terecht als gesteld wordt dat de diverse kathoden steeds met de massa worden doorverbonden. Over een geleidende thyristor valt namelijk een spanning van ongeveer 0,6 V. De geleidende thyristoren staan in serie, wat tot gevolg heeft dat het spanningsverschil tussen de voedingsspanning en de kathode van de laatst ingeschakelde thyristor steeds kleiner wordt. Na een bepaald aantal trappen wordt dit spanningsverschil zo klein, dat de gate van de volgende te ontsteken thyristor niet voldoende stroom uit de voeding kan halen. Bovendien wordt de voor het relais ter beschikking staande spanning ook steeds kleiner.
Een elektronische quizmaster
Het principe van de schakeling
Een bijna dagelijks ritueel op TV. Drie kandidaten zitten gespannen met de hand bij de knop. Een populair iemand leest een bij voorkeur zo stompzinnig mogelijke vraag voor. Wie het antwoord weet moet op zijn of haar knop drukken. De aard der vragen brengt met zich mee dat de gemiddelde Nederlandse TV-quiz niet wordt gewonnen door de slimste deelnemer/ster, maar door diegene die het snelst op zijn of haar knopje kan drukken. Hij of zij krijgt immers een brandend lampje cadeau en mag het antwoord op de vraag in de microfoon lispelen.
Zo’n 'wie drukt het snelst' schakeling kan uiteraard ook nuttig zijn voor spelletjes in de huiskamer, zeker als dat tot gevolg heeft dat de TV wordt uitgeschakeld op momenten dat het fatsoen daarom vraagt. Met thyristoren als geheugenelementen is een elektronische quizmaster in een half uurtje opgebouwd. Een voorbeeld is getekend in onderstaande figuur.
| Een elektronische quizmaster met bistabiel geschakelde thyristoren. (© 2017 Jos Verstraten) |
Drie thyristoren D11, D13 en D15 hebben een LED met voorschakelweerstand als belasting. De gates worden op de gebruikelijke manier gestuurd via een weerstand en een drukknop. Zonder de dioden D4 tot en met D9 zou iedere drukknop zijn thyristor kunnen inschakelen, onafhankelijk van elkaar. De dioden vormen echter een blokkeerschakeling, die er voor zorgt dat slechts één thyristor in geleiding kan worden gestuurd en wel die waarvan de drukknop het eerst wordt ingedrukt.
Stel dat u op S2 drukt. Er vloeit via weerstand R3 stroom in de gate van thyristor D13, zodat deze gaat geleiden. De LED D2 gaat branden. De spanning op de anode van de thyristor wordt laag, om precies te zijn 0,6 V. Stel dat u vervolgens S1 indrukt. De stroom die door weerstand R1 gaat vloeien kan niet doordringen tot de gate van de eerste thyristor D11. De diode D4 gaat immers geleiden, want de anode van dit onderdeel staat op een spanning van 0,6 V, dank zij de reeds geleidende thyristor D13. Op het onderste contact van S1 staat bijgevolg een spanning van 1,2 V, de som van de spanningen over D4 en D13. Deze spanning wordt aangeboden aan de serieschakeling van de zenerdiode D10 en de gate van D11. De doorslagspanning van de zener is echter 2,7 V, zodat deze lage spanning niet wordt doorgelaten en thyristor D11 niet wordt gestuurd. Hetzelfde verhaal geldt voor de derde thyristor D15. Ook hier zal de stuurstroom voor de gate afvloeien naar de massa via de dioden D9 en D13.
Het spel kan gereset worden door de knop S4 even in te drukken. Transistor T1 spert, zodat de voedingsspanning verdwijnt en de geleidende transistor overgaat naar sperren. Het zal duidelijk zijn dat ook deze schakeling is uit te breiden, zij het dat het noodzakelijke aantal dioden fors toeneemt.
Wissellicht schakeling
Het principe van de schakeling
Tot slot van deze ongebruikelijke toepassingen van thyristoren een wissellicht schakeling, die bijvoorbeeld in de modelbouw erg bruikbaar kan zijn. Twee thyristoren D1 en D2 sturen ieder een lampje La1 en La2. De bedoeling is dat beide lampen nooit gelijktijdig kunnen branden. Als La1 brandt en u drukt op schakelaar S2, dan moet La2 gaan branden en zijn soortgenoot La1 doven.
Het onderdeel dat verantwoordelijk is voor het wisseleffect is de condensator C1. Deze is geschakeld tussen de beide anoden van de thyristoren. Om de werking van de schakeling te begrijpen moet u zich voor de geest halen dat een condensator een kortsluiting vormt voor spanningssprongen. Als u aan één plaat van een condensator een snelle spanningssprong van bijvoorbeeld 0 V naar +12 V aanlegt, dan vindt u deze sprong terug op de tweede plaat.
| De wissellicht schakeling met twee thyristoren. (© 2017 Jos Verstraten) |
Aan de hand van de onderstaande grafieken wordt de werking snel duidelijk. In deze grafieken zijn de spanningen op de punten A en B getekend, dus de signalen op de anoden van de thyristoren. Vóór tijdstip t1 sperren de thyristoren, de spanningen op A en B zijn gelijk aan de voedingsspanning van +12 V. Op tijdstip t1 drukt u op schakelaar S1. Thyristor D1 gaat geleiden zodat lampje La1 gaat branden en de spanning op punt A naar 0 V gaat. Deze plotse spanningsdaling wordt door de condensator doorgekoppeld naar punt B. Op tijdstip t1 wordt dus ook de spanning op de anode van D2 even nul. Deze anode is echter door middel van het lampje La2 verbonden met de positieve voedingsspanning. Vandaar dat deze negatieve sprong slechts even aanwezig blijft. Het teveel aan elektronen vloeit dadelijk af naar de voedingsspanningen punt B is nadien weer op het stabiele potentiaal van +12 V.
| De spanningsvormen in de schakeling van bovenstaand schema. (© 2017 Jos Verstraten) |
Conclusie: door het drukken op schakelaar S2 zal La1 doven en La2 gaan branden.
Op tijdstip t3 drukt u op schakelaar S1, waardoor La1 gaat branden en zijn soortgenoot La2 dooft. De oorzaak is duidelijk. Door het in geleiding komen van D1 ontstaat een negatieve spanningssprong op punt A. Deze wordt door de condensator doorgekoppeld naar punt B, waardoor de tweede thyristor een negatieve puls op zijn anode te verwerken krijgt. Deze halfgeleider gaat onmiddellijk sperren.
Koop uw bouwpakketten bij Banggood
